Лифт для пчел
Конструкция механизм на колесах, который позволит пчеловоду в одиночку не только осматривать и обрабатывать ульи, но и перевозить их с места на место.
...
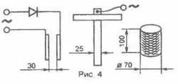
ядвига прибор для сбора пчелиного яда.
Прибор представляет собой электронное устройство, вырабатывающее пачки импульсов звуковой частоты длительностью от долей секунды до одной минуты и с амплитудой от 0 до 100 вольт.
...
Готовим к севу семена
Семена всех огородных растений, в том числе и сидератных, неплохо замачивать перед посевом в настое сухих и сырых грибов. В них содержится большое количество микроэлементов. Недостаток даже одного из
...
Сеем по новому
Уплотнение почвы благоприятно и для других культур: моркови, лука-чернушки, петрушки, которые требуют для всходов большой влажности и не переносят иссушения в первый период вегетации. Для них другой
...
Видео инструкция по ремонту. Видеоэнциклопедия.
Год: 2002 Качество: DVDrip Режиссер: Александр Коваленко Автор сценария: Александр Монаков В ролях: Равшан и Джамшуд Продолжительность: 01 :48 :26 + 01 :47 :35 Кодек: DivX Codec 5.05 Видео:
...
Скважина своими руками
Труба, для такой скважины нужна всего лишь «дюймовая», и не более: она вполне обеспечивает бесперебойную подачу, воды с помощью такого электрического бытового центробежного
...
Самодельный фонтан
Делайте! Подключайте! Заливайте воду и приятного Вам отдыха в саду на даче возле собственного фантана!
...
Земляника круглый год
Суть решения в том , что в пластмассовой, пленочной или другой полости - ящике высотой 8-10 см через 18-20 см прорезаются отверстия для коротких пластмассовых труб диаметром 40-50 мм и длиной 10-12
...
Изготовление красных кирпичей из доступных и дешевых материалов
Главное в этом деле - раздобыть глину. Найти ее можно прямо на участке или в ближайшем карьере. Механическая прочность кирпича зависит, прежде всего, от ее состава и чистоты. Поэтому сначала
...
Тротуарная плитка своими руками
Предлагаю заняться прибыльным и полезным делом - а именно, начать производить тротуарную плитку, бордюры, облицовочный камень, заборы, водостоки и т.д. Как видно из перечня - все материалы
...
Изготовление строительных блоков без цемента
Блоки изготавливаются без цемента на основе веществ, которые при определенных условиях образуют цементирующий состав, превосходящий по прочности цемент. Основной компонент - жидкое стекло.
...
Изготовление дешевого и прочного кровельного материала
В емкость с плавящимся битумом (смесь смолы и солярки) добавляются отходы термопластических полимеров (старые полиэтиленовые кульки, пленка и т.д.) в количестве 8-15% от объема битума, это для
...




