Deprecated: mysql_escape_string(): This function is deprecated; use mysql_real_escape_string() instead. in /home/h2u50/blogs/blog/engine/classes/mysqli.class.php on line 162 Опторазвязка для контроллера чпу » Блог. Делаем своими руками. Программируем. Электронные схемы.
 


Своими руками

Инструменты

Компьютер
Полезное
Опторазвязка для контроллера чпу

Найдено на сайте robozone.su который сейчас почему то не доступен, поэтому выложу все файлы, надеюсь разработчики на меня не сильно обидятся.

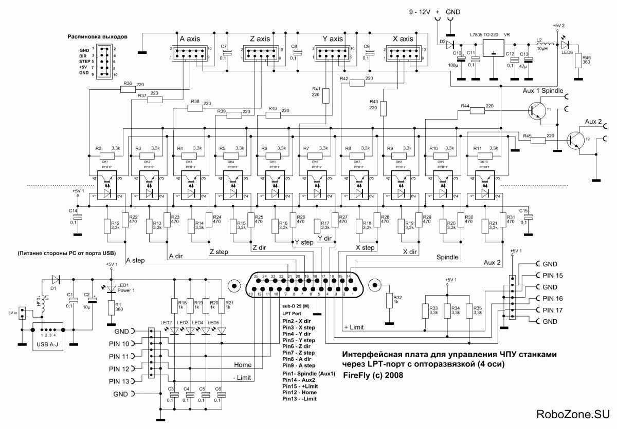
Схема


Нажмите на картинку чтобы увеличить

Скачать схема + печатка

 
Категория: ЧПУ выжигатель
 
 
 
 
#1 написал: Антон (11 сентября 2014 11:09)
Добрый день, а возможно получить електроній вариант печатной платы контроллера и опторазвязки.
Зарегистрирован: -- | ICQ: --
цитировать  
Добавление комментария
Ваше Имя:
Ваш E-Mail:

Код:

обновить код
Введите код:

Электроника

Эксперименты

Обзоры

Готовим


Copyright © 2011